氧化物陶瓷材料粒子噴涂陶瓷層
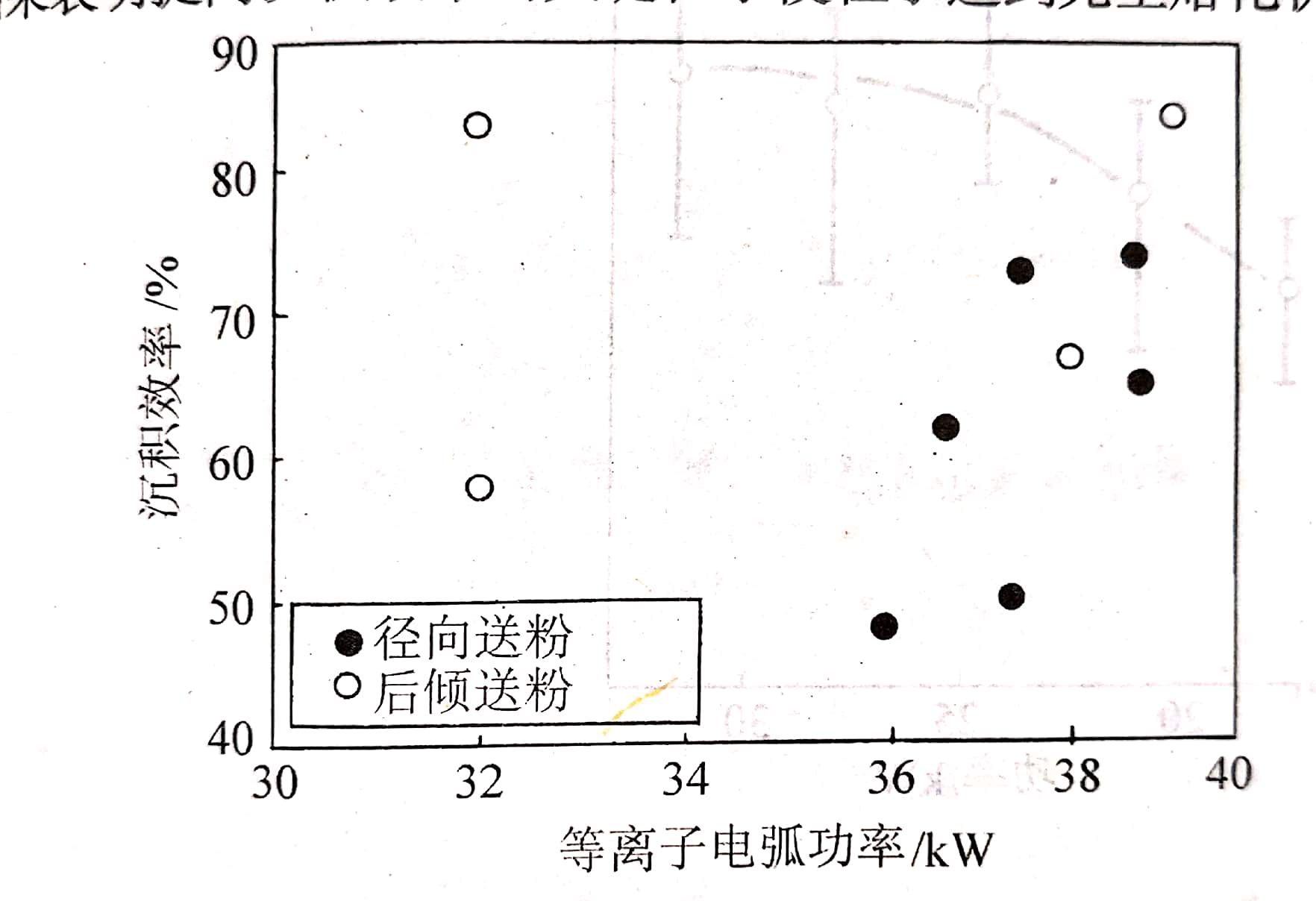
氧化物陶瓷材料噴涂時,粒子的溫度越高,熔化程度越完全,沉積效率越高。圖1與圖2為Metco9M噴槍,采用徑向與后傾送粉調整粉末送人等離子射流中的位置,分別在不同電弧功率與凈輸人功率測得的沉積效率。從這些結果難以看出功率與沉積效率的直接關系。圖3為采用DP-2000測速裝置測試的不同等離子噴涂條件下的YSZ粒子的表面溫度后,獲得的表面溫度與沉積效率之間的關系。可以看出隨粒子表面溫度的升高,沉積效率直線增加,當粒子表面平均溫度超過其熔點后,沉積效率增加不再顯著。這些結果表明提高沉積效率的關鍵在于使粒子達到完全熔化狀態。
圖(1)氧化鋯涂層沉積效率隨等離子電弧功率的變化

圖(2)氧化鋯涂層沉積效率隨著等離子電弧凈功率的變化
采用對等離子噴涂氧化鋁涂層電鍍銅,并定量表征涂層14內扁平粒子間的平均結合率表明(如圖4),當電弧功率較小時,隨電弧功率的增加;粒子間的平均結合率增加,而當功率超過一定值后, 結合率基本不變。研究表明粒子間的結合主要取決于溫度,由于熔化潛熱使得等離子電弧功率的增加主要是使達到完全熔化狀態的陶瓷粒子的數量增加,而粒子的溫度則難以大幅度提高。因此,陶瓷噴涂層內粒子間的結合率只達到表觀面積的三分之一左右。
圖(3)氧化鋯涂層沉積效率隨粒子表面溫度的變化

圖(4)等離子功率對氧化鋁涂層粒子間結合率的影響
- 上一篇:熱噴涂氧化鋁陶瓷涂層 2019/6/27
- 下一篇:熱噴涂陶瓷涂層的基本過程 2019/6/22
